снежинка снежинка снежинка
Уцененные товары со скидкой до 80%
Подробнее
снежинка снежинка снежинка
Свяжитесь с нами
+7 (347) 201-01-08
Ваш город: Уфа
Пн-Пт с 11:00 до 20:00
 
4.9 5

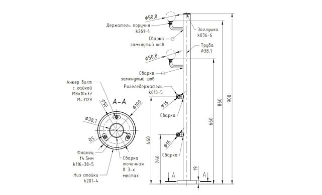
Стойка для пандуса: под 2 поручня Ø38,1-50,8 мм для инвалидов, 2 ригеледержателя, полированная, высота 900 мм, AISI 304 k750-6

/шт
Товары-аналоги
Наличие:
Доставка день в день с нашего склада до ТК для отправки в ваш город
Одинцово
Уточняйте у менеджера
СПб-Волковская
Уточняйте у менеджера
Москва-Жулебино
Уточняйте у менеджера
КЗ-Алматы
Уточняйте у менеджера
Екатеринбург
Уточняйте у менеджера
Артикул
k750-6
Материал
AISI 304 (08Х18Н10)
Способ сборки
Самосбор + Сварка
Поверхность
Полированная
Диаметр, мм
Ø38,1-50,8 мм
Описание
Стойка для пандуса: под 2 поручня Ø38,1-50,8 мм для инвалидов, 2 ригеледержателя, полированная, высота 900 мм, AISI 304 k750-6
Назначение
Стойка изготовлена на нашем производстве и готова к установке сразу после покупки. Используемая при изготовлении 304 марка стали позволяет применять данную стойку как внутри здания, так и на улице. Все элементы стойки приварены аргонной сваркой. Сварные швы на балясине убраны и идеально заполированы,а ограждение с использованием данной балясины ничем не уступает ограждениям сделанным профессиональными бригадами. Любой человек сможет сделать монтаж имея только отвертку, клей(ф-1127, ф-1105) и саморезы(М-3850, М-3847М-3215). Данная стойка используется для пандусов и ограждений для МАЛОМОБИЛЬНЫХ ГРАЖДАН. Балясина изготовлена с соблюдением всех норм. Расстояния между поручнедержателями сделано согласно ГОСТам 200мм, а регулируемая лодочка позволяет ставить поручень под наклоном. При монтаже данных стоек, в местах соединения верхнего и нижнего поручней, вам поможет специально разработанная деталь "окончание поручня пандуса ф38,1мм (k051; k051-3). Данная стойка используется везде где есть пандус, либо где нужно сделать ограждение для МАЛОМОБИЛЬНЫХ ГРАЖДАН.
Сборка и установка
Готовые стойки – это экономия вашего времени и денег. Приобретая готовую стойку Вы можете собрать ограждение сами, не привлекая монтажную бригаду и экономя денежные средства на монтаже. Стойка легко монтируется к полу благодаря треханкернуму фланцу с отверстиями под анкер-болт М8 ( М-3129, М-3843, М-3838), а крепеж скрывает декоративная крышка идущая в комплекте стойки. Поручень из нержавеющей стали так же легко закрепить при помощи сверла по нержавеющей стали (k961-03, k961-03.5, k961р-03.5, k961р-03) и самореза ( М-3850, М-3847, М-3215). Либо при помощи заклепки ( М-3214) и винта М6 ( М-3973), для крепления при помощи заклепок необходимо растачивать отверстие в ложементе. Если вы используете пластиковый ( k893, k897, k892, k891, k894, k895, k899) или деревянный поручень, то его можно закрепить при помощи саморезов ( М-3217)
Доставка транспортной компанией ПЭК.

Адрес главного терминала: ул. Чистопольская, д. 6

Доставка транспортной компанией Деловые линии

Адрес основного филиала: ул. Таганская, 60, Екатеринбург, Свердловская обл., 620057

Доставка транспортной компанией Байкал сервис

Адрес основного филиала: г. Верхняя Пышма, ул. Обогатителей, д. 11А

Внимание: указаны адреса основных филиалов, в вашем городе их может располагаться гораздо больше, подробности уточняйте на сайте интересующей вас транспортной компании

Ваш отзыв может стать первым! Добавьте его, нажав на кнопку "Добавить отзыв"
Оцените продукт:
Артикул
k750-6
Материал
AISI 304 (08Х18Н10)
Способ сборки
Самосбор + Сварка
Поверхность
Полированная
Диаметр, мм
Ø38,1-50,8 мм
Описание
Стойка для пандуса: под 2 поручня Ø38,1-50,8 мм для инвалидов, 2 ригеледержателя, полированная, высота 900 мм, AISI 304 k750-6
Назначение
Стойка изготовлена на нашем производстве и готова к установке сразу после покупки. Используемая при изготовлении 304 марка стали позволяет применять данную стойку как внутри здания, так и на улице. Все элементы стойки приварены аргонной сваркой. Сварные швы на балясине убраны и идеально заполированы,а ограждение с использованием данной балясины ничем не уступает ограждениям сделанным профессиональными бригадами. Любой человек сможет сделать монтаж имея только отвертку, клей(ф-1127, ф-1105) и саморезы(М-3850, М-3847М-3215). Данная стойка используется для пандусов и ограждений для МАЛОМОБИЛЬНЫХ ГРАЖДАН. Балясина изготовлена с соблюдением всех норм. Расстояния между поручнедержателями сделано согласно ГОСТам 200мм, а регулируемая лодочка позволяет ставить поручень под наклоном. При монтаже данных стоек, в местах соединения верхнего и нижнего поручней, вам поможет специально разработанная деталь "окончание поручня пандуса ф38,1мм (k051; k051-3). Данная стойка используется везде где есть пандус, либо где нужно сделать ограждение для МАЛОМОБИЛЬНЫХ ГРАЖДАН.
Сборка и установка
Готовые стойки – это экономия вашего времени и денег. Приобретая готовую стойку Вы можете собрать ограждение сами, не привлекая монтажную бригаду и экономя денежные средства на монтаже. Стойка легко монтируется к полу благодаря треханкернуму фланцу с отверстиями под анкер-болт М8 ( М-3129, М-3843, М-3838), а крепеж скрывает декоративная крышка идущая в комплекте стойки. Поручень из нержавеющей стали так же легко закрепить при помощи сверла по нержавеющей стали (k961-03, k961-03.5, k961р-03.5, k961р-03) и самореза ( М-3850, М-3847, М-3215). Либо при помощи заклепки ( М-3214) и винта М6 ( М-3973), для крепления при помощи заклепок необходимо растачивать отверстие в ложементе. Если вы используете пластиковый ( k893, k897, k892, k891, k894, k895, k899) или деревянный поручень, то его можно закрепить при помощи саморезов ( М-3217)
Доставка транспортной компанией ПЭК.

Адрес главного терминала: ул. Чистопольская, д. 6

Доставка транспортной компанией Деловые линии

Адрес основного филиала: ул. Таганская, 60, Екатеринбург, Свердловская обл., 620057

Доставка транспортной компанией Байкал сервис

Адрес основного филиала: г. Верхняя Пышма, ул. Обогатителей, д. 11А

Внимание: указаны адреса основных филиалов, в вашем городе их может располагаться гораздо больше, подробности уточняйте на сайте интересующей вас транспортной компании

Ваш отзыв может стать первым! Добавьте его, нажав на кнопку "Добавить отзыв"
Оцените продукт:
Популярные товары в этой категории
Стойка для пандуса: под 2 поручня Ø38,1 мм для инвалидов, полированная, высота 900 мм  (AISI 304) k750 купить в Уфе
k750
304
6 003 ₽/шт
Стойка для пандуса: под 2 поручня Ø38,1 мм для инвалидов, полированная, высота 900 мм (AISI 304) k750
Стойка для пандуса: под 2 поручня Ø38,1-50,8мм мм для инвалидов, одноанкерный крепеж, полированная, высота 900 мм (AISI 304) k750-5 купить в Уфе
k750-5
304
5 405 ₽/шт
Стойка для пандуса: под 2 поручня Ø38,1-50,8мм мм для инвалидов, одноанкерный крепеж, полированная, высота 900 мм (AISI 304) k750-5
Стойка для пандуса: под 2 поручня Ø38.1 мм для инвалидов, с наконечником, полированная, высота 860 мм  (AISI 304) k751 купить в Уфе
k751
304
4 791 ₽/шт
Стойка для пандуса: под 2 поручня Ø38.1 мм для инвалидов, с наконечником, полированная, высота 860 мм (AISI 304) k751
Новинки категории
Стойка для пандуса: под 2 поручня Ø38,1-50,8мм мм для инвалидов, одноанкерный крепеж, полированная, высота 900 мм (AISI 304) k750-5 купить в Уфе
k750-5
304
5 405 ₽/шт
Стойка для пандуса: под 2 поручня Ø38,1-50,8мм мм для инвалидов, одноанкерный крепеж, полированная, высота 900 мм (AISI 304) k750-5
Стойка для пандуса: под 2 поручня Ø38.1 мм для инвалидов, с наконечником, полированная, высота 860 мм  (AISI 304) k751 купить в Уфе
k751
304
4 791 ₽/шт
Стойка для пандуса: под 2 поручня Ø38.1 мм для инвалидов, с наконечником, полированная, высота 860 мм (AISI 304) k751
Стойка для пандуса: под 2 поручня Ø38,1 мм для инвалидов, полированная, высота 900 мм  (AISI 304) k750 купить в Уфе
k750
304
6 003 ₽/шт
Стойка для пандуса: под 2 поручня Ø38,1 мм для инвалидов, полированная, высота 900 мм (AISI 304) k750

Проконсультируйтесь с менеджером по вопросу оказания услуг в городах Республики Башкортостан: Благовещенск, Нефтекамск, Баймак, Туймазы, Салават, Агидель, Межгорье, Дюртюли, Белорецк, Янаул, Октябрьский, Давлеканово, Белебей, Стерлитамак, Ишимбай, Чишмы, Бирск, Учалы, Сибай, Кумертау, Мелеуз, Уфа, Приютово.
Наш Telegram-канал
Эксклюзивные акции и скидки только для подписчиков: не упусти выгоду!
Перейти на наш канал
Подпишись на наш Telegram-канал
Эксклюзивные акции и скидки только для подписчиков: не упусти выгоду!